D40

Motore CC

Diametro 40mm

Scarica il 3DScarica il 3D
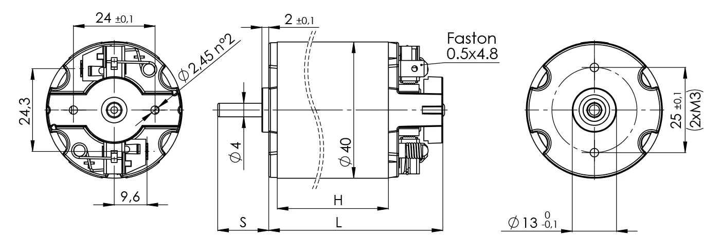
Disegno tecnico elettromotore D40

Caratteristiche D40H33,2

Dati 12V 24V
Avvolgimento 46.0315 72.025
Velocità a vuoto (Rpm) 14000 4000
Corrente a vuoto (A) 0,5 0,22
Velocità nominale (Rpm) 13000 3300
Coppia nominale (Ncm) 2 4
Corrente nominale (A) 1,7 0,8
Potenza nominale in uscita (W) 20 13
Efficienza (%) 65 66
Coppia di spunto (Ncm) 16 23
Corrente di spunto (A) 12 3,8
Momento di inerzia del rotore (gcm^2) 20 63
Peso (Kg) 0,2 0,25
Lunghezza L (mm) 52 66

Caratteristiche D40H53

Dati 12V 24V
Avvolgimento 42.0355 51.0315
Velocità a vuoto (Rpm) 6750 3600
Corrente a vuoto (A) 0,35 0,25
Velocità nominale (Rpm) 5700 3100
Coppia nominale (Ncm) 7 6
Corrente nominale (A) 2 1
Potenza nominale in uscita (W) 40 20
Efficienza (%) 75 73
Coppia di spunto (Ncm) 38 40
Corrente di spunto (A) 11 6,7
Momento di inerzia del rotore (gcm^2) 70 125
Peso (Kg) 0,3 0,45
Lunghezza L (mm) 72 92

Curve caratteristiche D40H33,2

Curve caratteristiche dell'elettromotore D40H33,2

Curve caratteristiche D40H53

Curve caratteristiche dell'elettromotore D40H53

Carico massimo sull'albero

carico massimo sull'albero

Encoder magnetico

D30 Encoder magnetico