D35

Motore CC

Diametro 35mm

Scarica il 3DScarica il 3D
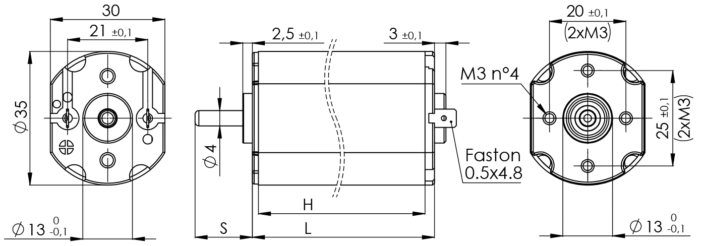
Disegno tecnico elettromotore D35

Caratteristiche D35H49

Dati 12V 24V
Avvolgimento 51.0315 1000.0224
Velocità a vuoto (Rpm) 5300 5350
Corrente a vuoto (A) 0,30 0,17
Velocità nominale (Rpm) 4500 4550
Coppia nominale (Ncm) 1,4 1,8
Corrente nominale (A) 1,2 0,7
Potenza nominale in uscita (W) 7 8
Efficienza (%) 60 62
Coppia di spunto (Ncm) 10 11
Corrente di spunto (A) 5,1 2,8
Momento di inerzia del rotore (gcm^2) 35 35
Peso (Kg) 0,15 0,15
Lunghezza L (mm) 53 53

Caratteristiche D35H57

Dati 12V 24V
Avvolgimento 40.0355 60.028
Velocità a vuoto (Rpm) 5000 5750
Corrente a vuoto (A) 0,29 0,15
Velocità nominale (Rpm) 4250 4900
Coppia nominale (Ncm) 2,3 2,7
Corrente nominale (A) 1,4 0,8
Potenza nominale in uscita (W) 12 14
Efficienza (%) 64 66
Coppia di spunto (Ncm) 15 18
Corrente di spunto (A) 8,5 4,8
Momento di inerzia del rotore (gcm^2) 55 55
Peso (Kg) 0,2 0,2
Lunghezza L (mm) 61 61

Curve caratteristiche D35H49

Curve caratteristiche dell'elettromotore D35H49

Curve caratteristiche D35H57

Curve caratteristiche dell'elettromotore D35H57

Carico massimo sull'albero

carico massimo sull'albero

Encoder magnetico

D30 Encoder magnetico