D32

Motore CC

Diametro 32mm

Scarica il 3DScarica il 3D
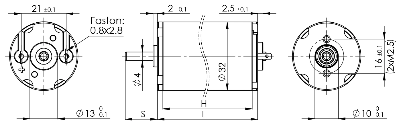
Disegno tecnico elettromotore D32

Caratteristiche D32H42

Dati 12V 24V
Avvolgimento 70.0224 96.018
Velocità a vuoto (Rpm) 5200 7300
Corrente a vuoto (A) 0,20 0,12
Velocità nominale (Rpm) 4300 5650
Coppia nominale (Ncm) 1,2 1,7
Corrente nominale (A) 0,7 0,7
Potenza nominale in uscita (W) 8 10
Efficienza (%) 60 65
Coppia di spunto (Ncm) 5 7
Corrente di spunto (A) 4,5 2,5
Momento di inerzia del rotore (gcm^2) 20 20
Peso (Kg) 0,15 0,15
Lunghezza L (mm) 46 46

Caratteristiche D32H72

Dati 12V 24V
Avvolgimento 38.0315 75.0224
Velocità a vuoto (Rpm) 3900 4000
Corrente a vuoto (A) 0,22 0,13
Velocità nominale (Rpm) 3300 3400
Coppia nominale (Ncm) 2,1 2,2
Corrente nominale (A) 1,6 0,9
Potenza nominale in uscita (W) 10 11
Efficienza (%) 61 63
Coppia di spunto (Ncm) 13 14
Corrente di spunto (A) 6,2 3,2
Momento di inerzia del rotore (gcm^2) 40 40
Peso (Kg) 0,2 0,2
Lunghezza L (mm) 76 76

Curve caratteristiche D32H42

Curve caratteristiche dell'elettromotore D32H42

Curve caratteristiche D32H72

Curve caratteristiche dell'elettromotore D32H72

Carico massimo sull'albero

carico massimo sull'albero

Encoder magnetico

D30 Encoder magnetico