D30

Motore CC

Diametro 30mm

Scarica il 3DScarica il 3D
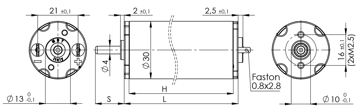
Disegno tecnico elettromotore D30

Caratteristiche D30H62

Dati 12V 24V
Avvolgimento 38.0315 76.0224
Velocità a vuoto (Rpm) 4800 4800
Corrente a vuoto (A) 0,6 0,3
Velocità nominale (Rpm) 4000 4000
Coppia nominale (Ncm) 2 2
Corrente nominale (A) 2,3 1,2
Potenza nominale in uscita (W) 13 15
Efficienza (%) 70 75
Coppia di spunto (Ncm) 12 12
Corrente di spunto (A) 8 4
Momento di inerzia del rotore (gcm^2) 40 40
Peso (Kg) 0,2 0,2
Lunghezza L (mm) 67 67

Curve caratteristiche D30H62

Curve caratteristiche dell'elettromotore D30H62

Carico massimo sull'albero

carico massimo sull'albero

Encoder magnetico

D30 Encoder magnetico